Home        Main menu


5. Wiring diagrams and pinouts

See also:    1. Factory Components 2. Component removal 3. Upgrading 4. JL Audio upgrade



Radio connectors
1999-2001 (2x 7-pin) 2002-2004 (22-pin + 10-pin)

Base radio
(without CD changer & PCI connectors)



Premium radio
(with changer (C4) & PCI (C3) connectors)

Connectors were changed starting in MY 2002


radio connectors

2002-2004 closeup view of connectors


RB1 rear view

RB1 Navigation Radio



Wiring and pinouts
1999-2001 2002-2004
Base Audio system wiring
Base Audio system wiring

Base Audio system wiring
Base Audio system wiring

Base Audio system wiring
Premium Audio system wiring

Premium Audio system wiring
Premium Audio system wiring

Premium Audio system wiring
Radio connector pinouts

Radio connector pinouts
Radio connector pinouts

Radio connector pinouts
CD Changer wiring

CD Changer wiring
CD Changer wiring

CD Changer wiring
1999-2004
Radio Remote Control wiring

Radio Remote Control wiring
Infinity Amplifier pinouts

Infinity Amplifier pinouts
10-disc cd changer

10-disc CD changer pinouts
10-pin to 8-pin CD changer adaptor cable

10-pin to 8-pin CD changer adaptor cable
(P/N 508971AA)
Satellite radio song title/artist display cable

Satellite radio song title/artist display cable
(P/N 82208322)
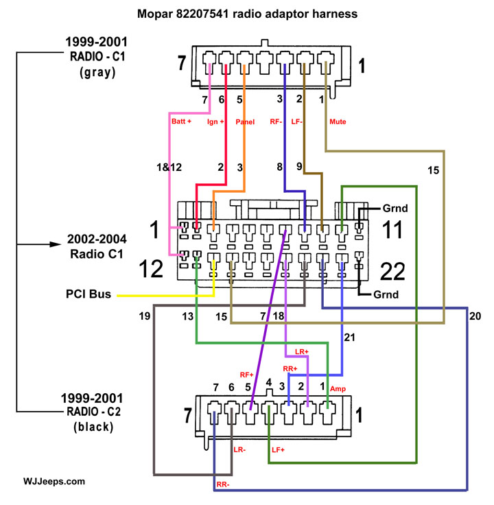
Radio adaptor harness
      

Radio adaptor harness
(P/N 82207541)

Aftermarket amp power hook-up







Home     Main menu